hydraulisch glasdeurscharnier wand-glas

hydraulisch glasdeurscharnier wand-glas

Artikelnummer: 268010

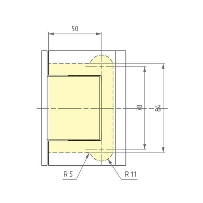
  • Glasdikte: 8, 10 en 12 mm
  • Max. deurgewicht: 75kg
  • Max. deur afmeting: 1000 x 2500 mm
  • Ruststand op 90º
  • Afstand wand tot hart draaipunt scharnier: 40mm

Op aanvraag ook leverbaar met instelbaar nulpunt (beperkt aantal graden instelbaar) en vol RVS afdekkappen.

Automatisch scharnier, wand-glas , dubbelwerkend met regelbare sluitsnelheid.