Zelfsluitende schoen set (hydraulisch) Zwart

Zelfsluitende schoen set (hydraulisch) Zwart

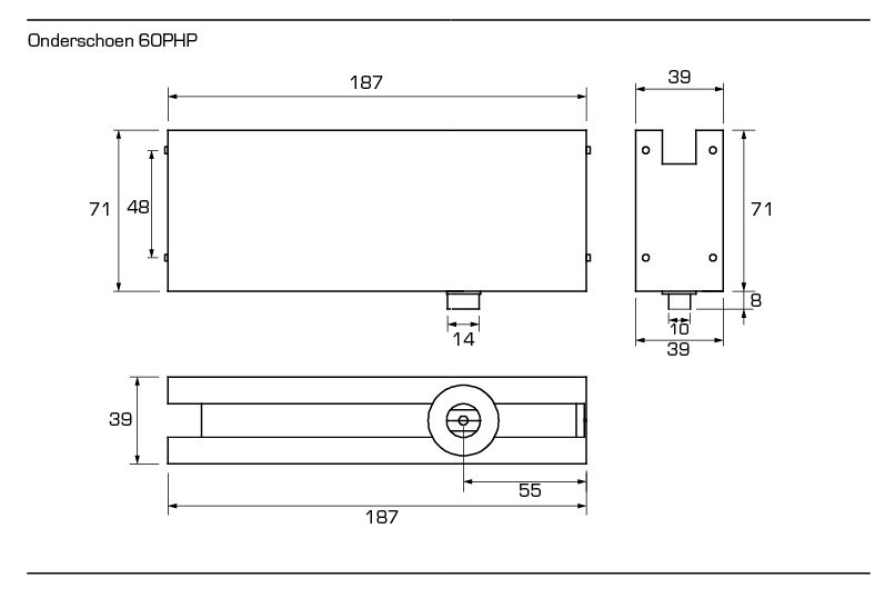
Artikelnummer: 60PHP

  • Toepassing dubbelwerkende deur (niet geschikt voor aanslagdeuren)
  • Glasdikte 8 t/m 13mm
  • Max. deurgewicht: 100kg
  • Max. deur breedte: 1000mm
  • Draaipunt: Afstand dag - hart draaipunt  is 60mm
  • Glasaftrek: onder 11,5 , boven 6mm, zijkant schoenzijde 7mm.
  • Afmetingen onder en bovenschoen: 190(L) x 70 (H) mm
  • Getest op 500.000 cycli
  • Ruststand op 90º
  • Zwarte afdekkappen

Complete set met zelfsluitende hydraulische onderschoen, ruststand 90 graden. Dubbelwerkend 150 graden. Een set bestaat uit:

  • Zelfsluitende hydraulische onderschoen
  • Regelbare ondertaats
  • Bovenschoen, afdekkap met dezelfde afmeting als de onderschoen.
  • Boventaats

LET OP! de onder- en de bovenschoen hebben een andere glasuitsparing.

Klik hier voor installatie handleiding.

Verwante producten